86-0755-27838351

頻率:0.750MHZ~75.000MHZ
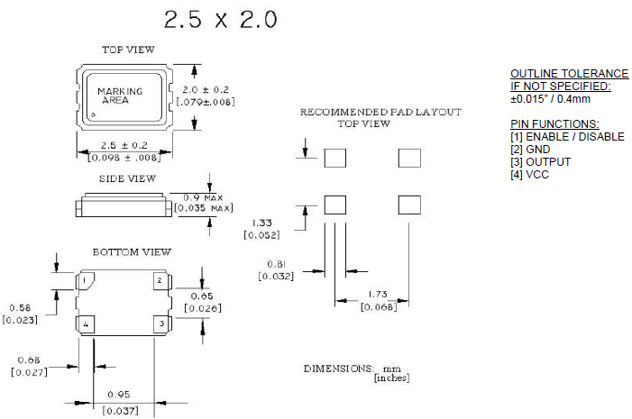
尺寸:2.5*2.0mm
Rubyquartz晶振,CO2520晶振,石英晶體振蕩器
Rubyquartz晶振為全球客戶提供頻率元件行業最成熟,最負盛名的研發團隊之一的技術專業知識。規格處于市場需求前沿的產品在邁阿密,佛羅里達州設計。總部。佛羅里達州和中國的制造地點使公司能夠滿足客戶優化總購置成本的需求,同時為所有產品系列提供足夠的生產空間。所提供產品的質量是所有Rubyquartz員工和公司管理層關注的重點之一。主要致力于頻率控制產品和壓電傳感器的設計,開發,生產和測試,包括石英晶振,貼片晶振,石英晶體振蕩器,溫補晶振,壓控晶振等和包含石英和其他壓電石英晶體諧振器的頻率控制模塊,如聲表面諧振器。
Rubyquartz晶振中文名叫做盧柏晶振,對于新技術應用和主要產品更新,Rubyquartz客戶可以獲得經驗豐富的設計師和生產工程師的好處和安全性,他們了解頻率控制產品系列。Rubyquartz客戶始終可以協助設計,生產和物流操作。多年來持續的業務增長使Rubyquartz發展其全球客戶群。深入的工程專業知識,現場制造和廣泛的最新產品系列,再加上獨立制造商的速度和響應能力,Rubyquartz晶振集團成為有效和成功的創新型高品質頻率控制組件供應商。
Rubyquartz晶振通過其直銷團隊以及獨立銷售代表和分銷商網絡在全球范圍內提供產品。客戶服務和技術支持由佛羅里達州邁阿密提供。廣泛的石英晶振產品系列旨在滿足電信,無線,工業,醫療,計算機,消費者和電子行業許多其他領域的客戶的需求。應用:數字音頻廣播,數字視頻廣播,千兆以太網,測光,光傳輸,無線基礎設施。
Rubyquartz晶振擁有非常專業的頻率元件設計與制造技術,其經營理念與生產概念領先許多業界的制造商,產品類型也比較完整。旗下量產的石英組件包括石英晶體諧振器,32.768K晶振,石英晶體振蕩器,OCXO恒溫晶振,VCXO壓控晶振,TCXO溫補晶振,差分晶振等,其他不同材質的頻率元件還有陶瓷晶振和SAW濾波器,所有產品都符合歐盟協會要求的ROHS指令,經過相關部門的檢測,生產車間與環境是標準的無塵干凈化,污染排放達到標準,積極保護資源并防止污染,質量控制規范,長期堅持保證高標準的品質,確保定期評估全部質量要求,讓客戶滿意度保持在100%。
|
型號 |
CO2520 (Osc) |
|
|
輸出頻率范圍 |
0.750MHZ~75.000MHZ |
|
|
標準頻率 |
16.3676MHz/16.367667MHz/16.368MHz/16.369MHz/16.8MHz/26MHz/33.6MHz
|
|
|
電源電壓范圍 |
+1.8~+3.3V |
|
|
電源電壓(Vcc) |
+1.8V/+2.6V/+2.8V/+3.0V/+3.3V |
|
|
消耗電流 |
+1.5mA max.(f≦26MHz)/+2.0mA max.(26<f≦52MHz) |
|
|
待機時電流 |
- |
|
|
輸出電壓 |
0.8Vp-p min.(f≦52MHz)(削峰正弦波/DC-coupled) |
|
|
輸出負載 |
10kΩ//10pF |
|
|
頻率穩定度 |
常溫偏差 |
±1.5×10-6 max.(After 2 reflows) |
|
溫度特性 |
±0.5×10-6,±2.5×10-6 max./-30~+85℃ |
|
|
電源電壓特性 |
±0.2×10-6 max.(VCC ±5%) |
|
|
負載變化特性 |
±0.2×10-6 max.(10kΩ//10pF±10%) |
|
|
長期變化 |
±1.0×10-6 max./year |
|
|
頻率控制 |
控制靈敏度 |
- |
|
頻率控制極性 |
- |
|
|
啟動時間 |
2.0ms max. |
|
Rubyquartz晶振,CO2520晶振,石英晶體振蕩器
熱影響
重復的溫度巨大變化可能會降低受損害的石英晶振產品特性,并導致塑料封裝里的線路擊穿.必須避免這種情況.
安裝方向
晶體振蕩器的不正確安裝會導致故障以及崩潰,因此安裝時,請檢查安裝方向是否正確.
通電
不建議從中間電位和/或極快速通電,否則會導致無法產生振蕩和/或非正常工作.
有源晶振的負載電容與阻抗
負載電容與阻抗有源晶振設置一個規定的負載阻抗值.當一個值除了規定的一個設置為負載阻抗輸出頻率和輸出電平不會滿足時,指定的值這可能會導致問題例如:失真的輸出波形.特別是設置電抗,根據規范的負載阻抗.輸出頻率和輸出電平,當測量輸出頻率或輸出水平,晶體振蕩器調整的輸入阻抗,測量儀器的負載阻抗晶體振蕩器.當輸入阻抗的測量儀器,不同的負載阻抗的晶體振蕩器,測量輸出頻率或輸出水平高,阻抗阻抗測量可以忽略.
抗沖擊
抗沖擊是指晶振產品可能會在某些條件下受到損壞.例如從桌上跌落,摔打,高空拋壓或在貼裝過程中受到沖擊.如果產品已受過沖擊請勿使用.因為無論何種石英晶振,其內部晶片都是石英晶振制作而成的,高空跌落摔打都會給晶振照成不良影響.
耐焊性:
將晶振加熱包裝材料至+150℃以上會破壞產品特性或損害產品.如需在+150℃以上焊接石英晶振,建議使用有源SMD晶振產品.在下列回流條件下,對石英耐高溫晶振產品甚至晶振使用更高溫度,會破壞晶振特性.建議使用下列配置情況的回流條件.安裝這些貼片晶振之前,應檢查焊接溫度和時間.同時,在安裝條件更改的情況下,請再次進行檢查.如果需要焊接的晶振產品在下列配置條件下進行焊接,請聯系我們以獲取耐熱的相關信息.
電話:+86-0755-278383514
手機:138-2330-0879
QQ:632862232
地址:廣東深圳市寶安寶安大道東95號浙商銀行大廈1905