86-0755-27838351

頻率:20MHZ
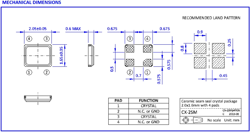
尺寸:2.0*1.6mm
6G無線晶振,S2SM20.0000F18M2Z-EXT,NKG汽車音響晶振,尺寸為2016mm,頻率為20MHZ,頻率公差為20ppm,頻率穩定性為25ppm.工作溫度為-40~+85°C,香港NKG晶振,2016mm貼片晶振,20MHZ無源晶體,石英晶體諧振器,石英晶振,貼片晶振,SMD無源晶振,石英貼片晶振,藍牙晶振,無線設備專用晶振,四腳貼片晶振,高精度晶振,低損耗晶振,高品質貼片晶振,高性能無源晶體,移動通信專用晶振,USB存儲設備晶振,網絡設備晶振,儀器設備專用無源晶振,石英晶振產品具有低損耗高精度高性能高品質的特點,很適合用于各個領域之中,尤其適合用于無線、藍牙,移動通信,便攜式設備,USB存儲設備等.6G無線晶振,S2SM20.0000F18M2Z-EXT,NKG汽車音響晶振.
6G無線晶振,S2SM20.0000F18M2Z-EXT,NKG汽車音響晶振 參數表
| Parameter | Symbol | Specifications | Remarks | |||||||||
| Frequency range | FN | 20.0MHz | — | |||||||||
| Cut and operation mode | — | AT-Cut / FUNDAMENTAL | ||||||||||
| Frequency tolerance | Δf/f | ±20ppm | Other options available | |||||||||
| Stability over operating temp. | TC | ±50ppm |
Depending on operating temperature range, other options available |
|||||||||
| Operating temperature range | TOP |
–40°C ~+85°C |
Options available | |||||||||
| Load capacitance | CL | 6 to 32pF or SERIES | Please specify load capacitance | |||||||||
| Equivalent series resistance | ESR |
200? ~ 100Ω MAX 100Ω MAX 100? ~ 80Ω MAX 80? ~ 60Ω MAX 80? ~ 40Ω MAX |
FUND mode FUND mode FUND mode FUND mode FUND mode |
16 ~ 20MHz 20 ~ 24MHz 24 ~ 30MHz 30 ~ 40MHz 40 ~ 60MHz |
||||||||
| Drive level | DL | 10µW TYP, 100µW MAX | — | |||||||||
| Aging first year | Δf/y1 | ±3ppm | @+25°C | |||||||||
6G無線晶振,S2SM20.0000F18M2Z-EXT,NKG汽車音響晶振 尺寸圖
石英貼片晶振產品特性:
微型封裝尺寸2.0 x 1.6 x 0.5mm,帶4個焊盤。
卓越的耐熱性和抗震性。
真空密封,可靠性高,老化程度低。
可提供符合AEC-Q200標準的汽車級。
更多相關香港NKG石英晶體型號,請咨詢我們!



電話:+86-0755-278383514
手機:138-2330-0879
QQ:632862232
地址:廣東深圳市寶安寶安大道東95號浙商銀行大廈1905