86-0755-27838351

頻率:0.032768MHZ
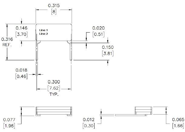
尺寸:8.0*3.8mm
MtronPTI晶振,M1381晶振,無源諧振器
MtronPTI于1965年成立于雷達,為高可靠性/高性能應用設計和制造定制RF和微波解決方案。2004年成立,由M-tron Industries,Inc.收購Piezo Technology,Inc. MtronPTI是LGL Group,Inc.的全資子公司。
MtronPTI提供廣泛的精確頻率控制和數據定時解決方案,包括:射頻,微波和毫米波濾波器 - 晶體,陶瓷,諧振腔,集總元件,開關,數字可調諧和低噪聲/惡劣環境振蕩器 - 貼片晶振,TCXO溫補晶振,VCXO壓控晶振,烤箱和IEEE-1588鎖定。2014年,MtronPTI增加了毫米波金屬插入技術波導濾波器和最先進的固態功率放大器。
MtronPTI集總元件(LC)濾波器允許真正的表面安裝防洗組件.焊料密封或激光焊接的周邊可防止在電路板前期和后期清洗期間或之后的性能變化,從而實現高電路板級初始產量和可靠的性能.MtronPTI晶振擁有超過150,000平方英尺的三個制造和設計設施:Yankton,SD; 奧蘭多,FL; 和印度諾伊達.MtronPTI的香港子公司M-tron Industries Limited擔任采購代理,區域倉庫,質量控制和銷售代表.有源晶振高頻振蕩器使用IC與晶片設計匹配技術:有源石英晶振是高頻振蕩器研發及生產過程必須要解決的技術難題.在設計過程中除了要考慮石英晶體諧振器具有的電性外,還有石英晶體振蕩器的電極設計等其它的特殊性,必須考慮石英晶體振蕩器的供應電壓、起動電壓和產品上升時間、下降時間等相關參數.
石英晶振的切割設計:用不同角度對晶振的石英晶棒進行切割,可獲得不同特性的石英晶片,通常我們把晶振的石英晶片對晶棒坐標軸某種方位(角度)的切割稱為石英晶片的切型.不同切型的石英晶片,因其彈性性質,壓電性質,溫度性質不同,其電特性也各異,石英無源晶振目前主要使用的有AT切、BT切.其它切型還有CT、DT、GT、NT等.
MtronPTI晶振,M1381晶振,無源諧振器
粘合劑
請勿使用可能導致32.768K晶振所用的封裝材料,終端,組件,玻璃材料以及氣相沉積材料等受到腐蝕的膠粘劑.(比如,氯基膠粘劑可能腐蝕一個晶振單元的金屬“蓋”,從而破壞密封質量,降低性能.)
鹵化合物
請勿在鹵素氣體環境下使用無源晶振.即使少量的鹵素氣體,比如在空氣中的氯氣內或封裝所用金屬部件內,都可能產生腐蝕.同時,請勿使用任何會釋放出鹵素氣體的樹脂.
靜電
過高的靜電可能會損壞石英晶體諧振器,請注意抗靜電條件.請為容器和封裝材料選擇導電材料.在處理的時候,請使用電焊槍和無高電壓泄漏的測量電路,并進行接地操作.
未用輸入終端的處理
未用針腳可能會引起噪聲響應,從而導致32.768K鐘表晶振非正常工作.同時,當P通道和N通道都處于打開時,電源功率消耗也會增加;因此,請將未用輸入終端連接到VCC或GND.
熱影響
重復的溫度巨大變化可能會降低受損害的無源晶振的產品特性,并導致塑料封裝里的線路擊穿.必須避免這種情況.
安裝方向
進口晶振的不正確安裝會導致故障以及崩潰,因此安裝時,請檢查安裝方向是否正確.
通電
不建議從中間電位和/或極快速通電,否則會導致無源晶振無法產生振蕩和/或非正常工作.
電話:+86-0755-278383514
手機:138-2330-0879
QQ:632862232
地址:廣東深圳市寶安寶安大道東95號浙商銀行大廈1905