EPSON愛普生晶振C-2,Q12C20001000600水晶振動子是一款尺寸為2060mm的無源晶振,圓柱晶振,插件晶體,石英晶體采用高超的生產技術結合優異的原料精心制作而成,并且是由杰出的愛普生公司打磨出來的產品,其獨特性能以及耐壓性能說明了愛普生公司對于晶體產品的了解十分深刻,同時見證了其在行業之中最為輝煌的時刻。
Q12C20001003300晶振產品本身具備優良的耐熱性,耐環境特性,產品被廣泛用于在辦公自動化,家電領域,移動通信領域可發揮優良的電氣特性,符合無鉛標準,滿足無鉛焊接的回流溫度曲線要求,金屬外殼的石英晶振使得產品在封裝時能發揮比陶瓷晶振外殼更好的耐沖擊性能.
Q12C20001000600晶振參數表
|
愛普生晶振規格 |
單位 |
C-2晶振頻率范圍 |
石英晶振基本條件 |
|
標準頻率 |
f_nom |
38.4KHZ |
標準頻率 |
|
儲存溫度 |
T_stg |
-20°C~+70°C |
裸存 |
|
工作溫度 |
T_use |
-10°C~+60°C |
標準溫度 |
|
激勵功率 |
DL1 |
μW Max. |
推薦:1μW~100μW |
|
頻率公差 |
f_— l |
±100 × 10-6(標準), |
+25°C對于超出標準的規格說明, |
|
頻率溫度特征 |
f_tem |
±100 × 10-6/-20°C~+70°C |
超出標準的規格請聯系我們. |
|
負載電容 |
CL |
11pF~∞ |
超出標準說明,請聯系我們. |
|
串聯電阻(ESR) |
R1 |
如下表所示 |
-40°C — +85°C,DL = 100μW |
|
頻率老化 |
f_age |
±5 × 10-6/ year Max. |
+25°C,第一年 |
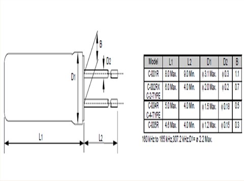
EPSON愛普生晶振C-2,Q12C20001000600水晶振動子尺寸圖
Q12C20001000600晶振在使用EPSON晶振時應注意以下事項
晶振產品使用每種產品時,請在石英晶振規格說明或產品目錄規定使用條件下使用.因很多種晶振產品性能,以及材料有所不同,所以使用注意事項也有所不同,比如焊接模式,運輸模式,保存模式等等,都會有所差別.EPSON愛普生晶振C-2,Q12C20001000600水晶振動子
晶振產品的設計和生產直到出廠,都會經過嚴格的測試檢測來滿足它的規格要求.通過嚴格的出廠前可靠性測試以提供高質量高的可靠性的小體積貼片晶振,石英晶振.但是為了石英晶振的品質和可靠性,必須在適當的條件下存儲,安裝,運輸.請注意以下的注意事項并在最佳的條件下使用產品,我們將對于客戶按自己的判斷而使用石英晶振所導致的不良不負任何責任.
機械振動的影響
當晶振產品上存在任何給定沖擊或受到周期性機械振動時,比如:壓電揚聲器,壓電蜂鳴器,以及喇叭等,輸出頻率和幅度會受到影響.這種現象對通信器材通信質量有影響.盡管晶振產品設計可最小化這種機械振動的影響,我們推薦事先檢查并按照下列安裝指南進行操作.
PCB設計指導
(1)理想情況下,機械蜂鳴器應安裝在一個獨立于晶體器件的PCB板上.如果您安裝在同一個PCB板上,最好使用余量或切割PCB.當應用于PCB板本身或PCB板體內部時,機械振動程度有所不同.建議遵照內部板體特性.
(2)在設計時請參考相應的推薦封裝.
(3)在使用焊料助焊劑時,按JIS標準(JIS C 60068-2-20/IEC 60,068-2-20).來使用.
(4)請按JIS標準(JIS Z 3282, Pb含量1000ppm, 0.1wt%或更少)來使用無鉛焊料.
存儲事項
(1)在更高或更低溫度或高濕度環境下長時間保存晶振時,會影響頻率穩定性或焊接性.請在正常溫度和濕度環境下保存這些石英晶振產品,并在開封后盡可能進行安裝,以免長期儲藏.EPSON愛普生晶振C-2,Q12C20001000600水晶振動子
正常溫度和濕度:
溫度:+15°C至+35°C,濕度25 % RH至85 % RH(請參閱“測試點JIS C 60068-1 / IEC 60068-1的標準條件”章節內容).
(2)請仔細處理內外盒與卷帶.外部壓力會導致卷帶受到損壞.
| EPSON晶振編碼 | LxWxH/尺寸 | Model/型號 | Frequency/頻率 | CL Value/負載 | Freq.tol./頻率 @+25°C | Oper. Temper. Range/工作溫度 |
| Q12C20001000600 | Φ 2 x 6 mm | C-2 | 38.400000 kHz | 11 pF | +/-100 ppm | -10 to +60 °C |
| Q12C20001000700 | Φ 2 x 6 mm | C-2 | 38.400000 kHz | 12 pF | +/-50.0 ppm | -10 to +60 °C |
| Q12C20001002200 | Φ 2 x 6 mm | C-2 | 40.000000 kHz | 11 pF | +/-100 ppm | -10 to +60 °C |
| Q12C20001002800 | Φ 2 x 6 mm | C-2 | 31.250000 kHz | 11 pF | +/-100 ppm | -10 to +60 °C |
| Q12C20001002900 | Φ 2 x 6 mm | C-2 | 32.000000 kHz | 11 pF | +/-100 ppm | -10 to +60 °C |
| Q12C20001003300 | Φ 2 x 6 mm | C-2 | 60.000000 kHz | 11 pF | +/-100 ppm | -10 to +60 °C |
| Q12C20001004100 | Φ 2 x 6 mm | C-2 | 100.000000 kHz | 11 pF | +/-100 ppm | -10 to +60 °C |
| Q12C20001004700 | Φ 2 x 6 mm | C-2 | 77.503000 kHz | 10 pF | +/-20.0 ppm | -10 to +60 °C |
| Q12C20001005000 | Φ 2 x 6 mm | C-2 | 25.600000 kHz | 12 pF | +/-20.0 ppm | -10 to +60 °C |
| Q12C20001005300 | Φ 2 x 6 mm | C-2 | 96.000000 kHz | 11 pF | +/-100 ppm | -10 to +60 °C |
| Q12C20001005700 | Φ 2 x 6 mm | C-2 | 20.000000 kHz | 11 pF | +/-100 ppm | -10 to +60 °C |
| Q12C20001005800 | Φ 2 x 6 mm | C-2 | 25.600000 kHz | 11 pF | +/-100 ppm | -10 to +60 °C |
| Q12C20001006100 | Φ 2 x 6 mm | C-2 | 76.800000 kHz | 11 pF | +/-100 ppm | -10 to +60 °C |
| Q12C20001006900 | Φ 2 x 6 mm | C-2 | 100.000000 kHz | 12.5 pF | +/-100 ppm | -10 to +60 °C |
| Q12C20001009700 | Φ 2 x 6 mm | C-2 | 48.000000 kHz | 12.5 pF | +/-100 ppm | -10 to +60 °C |
| Q12C20001010500 | Φ 2 x 6 mm | C-2 | 77.500000 kHz | 12.5 pF | +/-100 ppm | -10 to +60 °C |
| Q12C20001010800 | Φ 2 x 6 mm | C-2 | 60.000000 kHz | 10 pF | +/-20.0 ppm | -10 to +60 °C |
| Q12C20001010900 | Φ 2 x 6 mm | C-2 | 32.000000 kHz | 12.5 pF | +/-20.0 ppm | -10 to +60 °C |
| Q12C20001011000 | Φ 2 x 6 mm | C-2 | 40.000000 kHz | 10 pF | +/-20.0 ppm | -10 to +60 °C |





ZM200,ZM200‐12.5‐32.768,8038mm,FCD-Tech水晶振動子
590DA156M250DG,Si590,Silicon測量晶振,156.25MHZ,7050mm
SX2CB,SX2CB-15K20E-52MHZ,2520mm,CMOS,FCD-Tech有源振蕩器
BMS-203R,2016mm,CMOS,LiHom時鐘晶體振蕩器
3225mm通信晶振,CMOS,SX3CB-15K20E-45MHz,FCD-Tech小尺寸振蕩器
FCD-Tech差分晶振,LVDS,SX3LK-33F20-125MHZ,3225mm,125MHZ低抖動晶振
XTL751-S999-420,XTL75,32.768KHz,1610mm,Siward手表晶體
KC3225K,KC3225K24.5760C1GE00,24.576MHz,3225mm,Kyocera晶振