86-0755-27838351

頻率:10~50MHZ
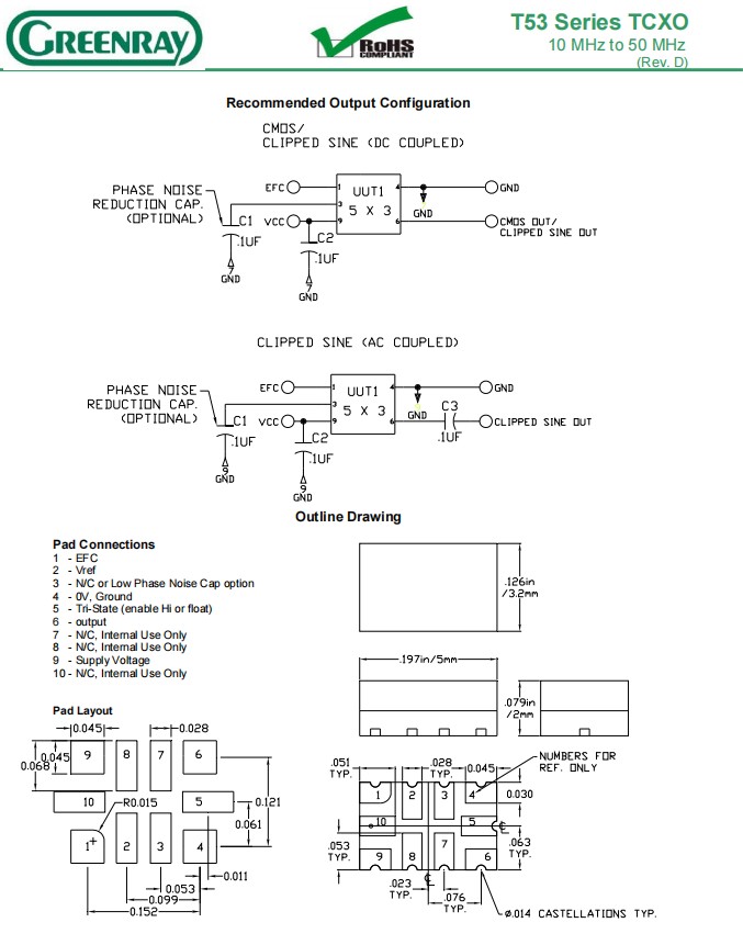
尺寸:5.0*3.2mm
格林雷晶振,T53晶振,有源晶振.Greenray格林雷工業是一家領先的精密晶體振蕩器,貼片晶振,有源晶振,石英晶體振蕩器制造商.幾十年來我們所生產的晶振,石英晶體,貼片晶體等產品的設計,測試,包裝都是經過一系列嚴格要求規范操作,是在我們位于賓夕法尼亞州機械堡的工廠中通過嚴格的管理以及嚴謹的態度進行操作的.我們所生產的有源晶振,貼片晶振,溫補振蕩器都是符合ITAR標準的,我們的質量管理體系認證為ISO:9001標準.
Greenray格林雷工業生產貼片晶體振蕩器,有源晶振,SMT、thru - hole、混合和定制產品.所生產的石英晶體振蕩器根據性能可以分為:普通晶體振蕩器(SPXO)、壓控晶體振蕩器(VCXO)、溫補晶體振蕩器(TCXO)、恒溫晶體振蕩器(OCXO)等.
Greenray格林雷晶振集團致力于研發生產高精密,性能穩定的石英晶體振蕩器,滿足不同客戶的特殊要求,并且具有低噪音,低相位等特點.Greenray格林雷有源晶振,壓控振蕩器,(PXO)普通晶體振蕩器,(TCXO)溫補晶體振蕩器,(OCXO)恒溫晶體振蕩器等在產品中使用具備優異的振動性,耐沖擊等特性.Greenray格林雷還為廣大用戶提供具有良好可靠性,在產品中使用性能穩定強的自校準振蕩器,石英晶體振蕩器.Greenray格林雷晶振集團所生產的石英晶振,貼片晶振,石英晶體振蕩器工作溫度范圍較廣在-55+125°C之間,Greenray格林雷OCXO晶體振蕩器的頻率穩定度在±0.005ppm較高精度,TCXO溫補晶振的頻率穩定度控制在±0.04ppm范圍的高精度,具有低相位,低抖動,低噪音等特性.Greenray格林雷晶振集團為確保所生產晶振,貼片石英晶振的質量,都會經過廣泛的電氣以及環境測試,確保質量上不會存在錯誤,其中包括•老化•溫度測試•溫度循環•溫度沖擊•機械沖擊•微跳•穩定烤•加速度•加速度靈敏度•好/總泄漏•隨機振動振動•耐溶劑•可焊性
|
格林雷晶振 |
T53晶振 |
|
輸出類型 |
CMOS |
|
輸出負載 |
15pF |
|
振蕩模式 |
基本/第三泛音 |
|
電源電壓 |
+3.0V,+3.3V,+5.0V |
|
頻率范圍 |
10.000MHz~50.000MHz |
|
頻率穩定度 |
±0.3ppm,±0.5ppm,±1.0ppm,±2.0ppm |
|
工作溫度 |
-20℃~+70℃ -40℃~+85℃ |
|
保存溫度 |
-40℃~+85℃ |
|
電壓卷(最大值)/ VOH(最小值) |
0.1 VDD / 0.9 VDD |
|
啟動時間 |
5 ms Max |
|
相位抖動(12兆赫~20兆赫) |
1個PS最大 |
|
老化率 |
±3 ppm /年最大 |
格林雷晶振,T53晶振,有源晶振,負極電阻
除非石英晶體振蕩器回路中分配足夠多的負極電阻,否則振蕩或振蕩啟動時間可能會增加(請參閱“關于振蕩”章節內容).
負載電容
有源進口貼片晶振振蕩電路中負載電容的不同,可能導致振蕩頻率與設計頻率之間產生偏差.試圖通過強力調整,可能只會導致不正常的振蕩.在使用之前,請指明該振動電路的負載電容(請參閱“負載電容”章節內容).
有源晶振的負載電容與阻抗
負載電容與阻抗有源5032晶振設置一個規定的負載阻抗值.當一個值除了規定的一個設置為負載阻抗輸出頻率和輸出電平不會滿足時,指定的值這可能會導致問題例如:失真的輸出波形.特別是設置電抗,根據規范的負載阻抗.輸出頻率和輸出電平,當測量輸出頻率或輸出水平,晶體振蕩器調整的輸入阻抗,測量儀器的負載阻抗晶體振蕩器.當輸入阻抗的測量儀器,不同的負載阻抗的晶體振蕩器,測量輸出頻率或輸出水平高,阻抗阻抗測量可以忽略.
機械處理
當有源耐高溫晶振發生外置撞擊時,任何石英晶體振蕩器在遭到外部撞擊時,或者產品不小心跌落時,強烈的外置撞擊都將會導致晶振損壞,或者頻率不穩定現象.不執行任何強烈的沖擊石英晶體振蕩器.如果一個強大的沖擊已經給振蕩器確保在使用前檢查其特點.
激勵功率
在晶振上施加過多驅動力,會導致產品特性受到損害或破壞.電路設計必須能夠維持適當的激勵功率 (請參閱“激勵功率”章節內容).
電話:+86-0755-278383514
手機:138-2330-0879
QQ:632862232
地址:廣東深圳市寶安寶安大道東95號浙商銀行大廈1905