86-0755-27838351

頻率:20MHZ
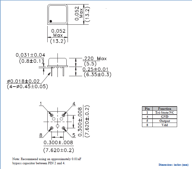
尺寸:13.2x13.2x5.5mm
艾博康晶振,ACHL-20.000MHZ-ER-S-A-15-G3,6G模塊晶振,正方型鐘振,尺寸為13.2x13.2x5.5mm,頻率為20MHZ,歐美進口晶振,Abracon晶振,時鐘振蕩器,石英晶體振蕩器,進口有源晶振,OSC晶振,高性能晶振,低損耗晶振,低電壓晶振,高品質晶振,6G模塊晶振,無線設備晶振,物聯網專用晶振,藍牙音響晶振,便攜式設備晶振,智能家居晶振,微處理器晶振.
OscillatorCrystal產品主要應用范圍:針對數字芯片和微處理器的低功耗應用的時鐘信號源,6G模塊,物聯網,智能家居等領域。艾博康晶振,ACHL-20.000MHZ-ER-S-A-15-G3,6G模塊晶振,正方型鐘振.
艾博康晶振,ACHL-20.000MHZ-ER-S-A-15-G3,6G模塊晶振,正方型鐘振,尺寸為13.2x13.2x5.5mm,頻率為20MHZ,歐美進口晶振,Abracon晶振,時鐘振蕩器,石英晶體振蕩器,進口有源晶振,OSC晶振,高性能晶振,低損耗晶振,低電壓晶振,高品質晶振,6G模塊晶振,無線設備晶振,物聯網專用晶振,藍牙音響晶振,便攜式設備晶振,智能家居晶振,微處理器晶振.
OscillatorCrystal產品主要應用范圍:針對數字芯片和微處理器的低功耗應用的時鐘信號源,6G模塊,物聯網,智能家居等領域。艾博康晶振,ACHL-20.000MHZ-ER-S-A-15-G3,6G模塊晶振,正方型鐘振.
艾博康晶振,ACHL-20.000MHZ-ER-S-A-15-G3,6G模塊晶振,正方型鐘振 參數表
| Parameters | Minimum | Typical | Maximum | Units | Notes | ||||||||||||||
| Frequency Range | 0.400 | ----- | 160.000 | MHz | |||||||||||||||
| Operating Temperature | 0 | ----- | +70 | °C | See options | ||||||||||||||
| Storage Temperature | --55 | ----- | + 125 | °C | |||||||||||||||
| Overall Frequency Stability | - 100 | ----- | +100 | ppm | See options | ||||||||||||||
| Supply Voltage (Vdd) | 2.97 | 3.3 | 3.63 | V | |||||||||||||||
| Input Current | 0.400MHz ~ 24.999MHz | ----- | ----- | 20 | mA | ||||||||||||||
| 25.000MHz ~ 99.999MHz | ----- | ----- | 40 | ||||||||||||||||
| 100.000MHz ~ 16000MHz | ----- | ----- | 80 | ||||||||||||||||
| Symmetry (@ 1/2Vdd) | 40 | 50 | 60 | % | See options | ||||||||||||||
|
Rise and Fall Time (Tr/Tf) |
0.400MHz ~ 24.999MHz | ----- | ----- | 10 | ns | ||||||||||||||
| 25.000MHz ~ 99.999MHz | ----- | ----- | 5 | ||||||||||||||||
| 100.000MHz ~ 16000MHz | ----- | ----- | 4 | ||||||||||||||||
| Output Load | ----- | ----- | 15 | pF | See options | ||||||||||||||
| ----- | ----- | 5 | TTL | ||||||||||||||||
| Output Voltage | VOH | 0.9*Vdd | ----- | ----- | V | ||||||||||||||
| VOL | ----- | ----- | 0. 1*Vdd | V | |||||||||||||||
| Tri-state Function | VIH | 2.2 | ----- | ----- | V |
"1" or Open: Oscillation |
|||||||||||||
| VIL | ----- | ----- | 0.8 | V |
"0": Output disable (Hi Z) |
||||||||||||||
| Output Enable time | ----- | ----- | 4 | ms | For option A only | ||||||||||||||
| Output Disable time | ----- | ----- | 100 | ns | For option A only | ||||||||||||||
| Start-up Time | ----- | 1 | 10 | ms | |||||||||||||||
| Phase Jitter RMS ( 12~20MHz) | ----- | ----- | 1 | ps |
Reference only. Please contact Abracon for specific frequencies |
||||||||||||||
| Aging | --5.0 | ----- |
|
|
|
||||||||||||||
艾博康晶振,ACHL-20.000MHZ-ER-S-A-15-G3,6G模塊晶振,正方型鐘振 尺寸圖
產品特征:
三狀態啟用/禁用選項
低電源電壓3.3V
HCMOS和TTL兼容
緊密對稱選項50% +/-5%
| Manufacturer Part Number | Manufacturer品牌 | Series | Type 類型 | Frequency 頻率 | Voltage - Supply電壓 | Operating Temperature 工作溫度 |
| ASDMB-19.200MHZ-XY-T | Abracon晶振 | Pure Silicon™ ASDMB | MEMS (Silicon) | 19.2MHz | 1.8 V ~ 3.3 V | -40°C ~ 105°C |
| ASDMB-8.000MHZ-XY-T | Abracon晶振 | Pure Silicon™ ASDMB | MEMS (Silicon) | 8MHz | 1.8 V ~ 3.3 V | -40°C ~ 105°C |
| ASFLMB-100.000MHZ-XY-T | Abracon晶振 | Pure Silicon™ ASFLMB | MEMS (Silicon) | 100MHz | 1.8 V ~ 3.3 V | -40°C ~ 105°C |
| ASEMB-80.000MHZ-XY-T | Abracon晶振 | Pure Silicon™ ASEMB | MEMS (Silicon) | 80MHz | 1.8 V ~ 3.3 V | -40°C ~ 105°C |
| ASFLMPC-50.000MHZ-Z-T | Abracon晶振 | Pure Silicon™ ASFLMP | MEMS (Silicon) | 50MHz | 2.25 V ~ 3.6 V | -55°C ~ 125°C |
| ACH-25.000MHZ-EK | Abracon晶振 | ACH | XO (Standard) | 25MHz | 5V | -20°C ~ 70°C |
| ACHL-50.000MHZ-EK | Abracon晶振 | ACHL | XO (Standard) | 50MHz | 3.3V | -20°C ~ 70°C |
| ASTMTXK-32.768KHZ-NG-T | Abracon晶振 | ASTMTXK | MEMS (Silicon) | 32.768kHz | 1.5 V ~ 3.63 V | 0°C ~ 70°C |
| ASFLMPLV-100.000MHZ-LC-T | Abracon晶振 | Pure Silicon™ ASFLMP | MEMS (Silicon) | 100MHz | 2.25 V ~ 3.6 V | -40°C ~ 85°C |
| ASTMHTD-100.000MHZ-AJ-E | Abracon晶振 | ASTMHT | MEMS (Silicon) | 100MHz | 2.25 V ~ 3.63 V | -40°C ~ 125°C |
| ASTMHTA-8.000MHZ-AJ-E | Abracon晶振 | ASTMHT | MEMS (Silicon) | 8MHz | 2.25 V ~ 3.63 V | -40°C ~ 125°C |
| AOCJY2-10.000MHZ-E | Abracon晶振 | AOCJY2 | OCXO | 10MHz | 3.3V | -20°C ~ 70°C |
| AOCJY3B-10.000MHZ-E-SW | Abracon晶振 | AOCJY3 | OCXO | 10MHz | 12V | -20°C ~ 70°C |
| ASFLMB-10.000MHZ-LC-T | Abracon晶振 | Pure Silicon™ ASFLMB | MEMS (Silicon) | 10MHz | 1.8 V ~ 3.3 V | -40°C ~ 85°C |
| ASDMB-12.000MHZ-EC-T | Abracon晶振 | Pure Silicon™ ASDMB | MEMS (Silicon) | 12MHz | 1.8 V ~ 3.3 V | -20°C ~ 70°C |
| ASDMB-24.000MHZ-EC-T | Abracon晶振 | Pure Silicon™ ASDMB | MEMS (Silicon) | 24MHz | 1.8 V ~ 3.3 V | -20°C ~ 70°C |
| ASFLM1-8.000MHZ-C-T | Abracon晶振 | Pure Silicon™ ASFLM | MEMS (Silicon) | 8MHz | 3V | 0°C ~ 70°C |
| ASEM1-10.000MHZ-LC-T | Abracon晶振 | Pure Silicon™ ASEM | MEMS (Silicon) | 10MHz | 3.3V | -40°C ~ 85°C |
| ASFLMB-14.7456MHZ-LR-T | Abracon晶振 | Pure Silicon™ ASFLMB | MEMS (Silicon) | 14.7456MHz | 1.8 V ~ 3.3 V | -40°C ~ 85°C |
| ASFLMB-40.000MHZ-LR-T | Abracon晶振 | Pure Silicon™ ASFLMB | MEMS (Silicon) | 40MHz | 1.8 V ~ 3.3 V | -40°C ~ 85°C |
| ASDMB-54.000MHZ-EC-T | Abracon晶振 | Pure Silicon™ ASDMB | MEMS (Silicon) | 54MHz | 1.8 V ~ 3.3 V | -20°C ~ 70°C |
| ASEMB-24.576MHZ-XY-T | Abracon晶振 | Pure Silicon™ ASEMB | MEMS (Silicon) | 24.576MHz | 1.8 V ~ 3.3 V | -40°C ~ 105°C |
| ASFLMB-120.000MHZ-XY-T | Abracon晶振 | Pure Silicon™ ASFLMB | MEMS (Silicon) | 120MHz | 1.8 V ~ 3.3 V | -40°C ~ 105°C |
| ASEMB-125.000MHZ-XY-T | Abracon晶振 | Pure Silicon™ ASEMB | MEMS (Silicon) | 125MHz | 1.8 V ~ 3.3 V | -40°C ~ 105°C |
| ASVMB-100.000MHZ-XY-T | Abracon晶振 | Pure Silicon™ ASVMB | MEMS (Silicon) | 100MHz | 1.8 V ~ 3.3 V | -40°C ~ 105°C |
| ASFLMPC-10.000MHZ-Z-T | Abracon晶振 | Pure Silicon™ ASFLMP | MEMS (Silicon) | 10MHz | 2.25 V ~ 3.6 V | -55°C ~ 125°C |
| ASFLMPC-24.576MHZ-Z-T | Abracon晶振 | Pure Silicon™ ASFLMP | MEMS (Silicon) | 24.576MHz | 2.25 V ~ 3.6 V | -55°C ~ 125°C |
| ASFLMPC-48.000MHZ-Z-T | Abracon晶振 | Pure Silicon™ ASFLMP | MEMS (Silicon) | 48MHz | 2.25 V ~ 3.6 V | -55°C ~ 125°C |
| ASEMPC-24.000MHZ-Z-T | Abracon晶振 | Pure Silicon™ ASEMP | MEMS (Silicon) | 24MHz | 2.25 V ~ 3.6 V | -55°C ~ 125°C |
| ASDMPLP-125.000MHZ-LR-T3 | Abracon晶振 | Pure Silicon™ ASDMP | MEMS (Silicon) | 125MHz | 2.25 V ~ 3.6 V | -40°C ~ 85°C |
| ASEMPLP-150.000MHZ-LR-T | Abracon晶振 | Pure Silicon™ ASEMP | MEMS (Silicon) | 150MHz | 2.25 V ~ 3.6 V | -40°C ~ 85°C |
| ASVMPLV-156.250MHZ-LR-T | Abracon晶振 | Pure Silicon™ ASVMP | MEMS (Silicon) | 156.25MHz | 2.25 V ~ 3.6 V | -40°C ~ 85°C |
| AOCJY-38.880MHZ-E | Abracon晶振 | AOCJY | OCXO | 38.88MHz | 3.3V | -20°C ~ 70°C |
| AOCJY3A-10.000MHZ-F | Abracon晶振 | AOCJY3 | OCXO | 10MHz | 5V | -40°C ~ 75°C |
| ASFLMB-32.000MHZ-LC-T | Abracon晶振 | Pure Silicon™ ASFLMB | MEMS (Silicon) | 32MHz | 1.8 V ~ 3.3 V | -40°C ~ 85°C |
| ASFLMB-48.000MHZ-EC-T | Abracon晶振 | Pure Silicon™ ASFLMB | MEMS (Silicon) | 48MHz | 1.8 V ~ 3.3 V | -20°C ~ 70°C |
| ASEM1-1.8432MHZ-LC-T | Abracon晶振 | Pure Silicon™ ASEM | MEMS (Silicon) | 1.8432MHz | 3.3V | -40°C ~ 85°C |
| ASDM1-14.31818MHZ-LC-T | Abracon晶振 | Pure Silicon™ ASDM | MEMS (Silicon) | 14.31818MHz | 3.3V | -40°C ~ 85°C |
| ASFLMB-106.250MHZ-LR-T | Abracon晶振 | Pure Silicon™ ASFLMB | MEMS (Silicon) | 106.25MHz | 1.8 V ~ 3.3 V | -40°C ~ 85°C |
| ASFLMB-4.000MHZ-XY-T | Abracon晶振 | Pure Silicon™ ASFLMB | MEMS (Silicon) | 4MHz | 1.8 V ~ 3.3 V | -40°C ~ 105°C |
| ASVMPC-125.000MHZ-EC-T | Abracon晶振 | Pure Silicon™ ASVMP | MEMS (Silicon) | 125MHz | 2.25 V ~ 3.6 V | -20°C ~ 70°C |
| ASVMB-150.000MHZ-LY-T | Abracon晶振 | Pure Silicon™ ASVMB | MEMS (Silicon) | 150MHz | 1.8 V ~ 3.3 V | -40°C ~ 85°C |
| ASVMB-106.250MHZ-LY-T | Abracon晶振 | Pure Silicon™ ASVMB | MEMS (Silicon) | 106.25MHz | 1.8 V ~ 3.3 V | -40°C ~ 85°C |
| ASVMB-125.000MHZ-LY-T | Abracon晶振 | Pure Silicon™ ASVMB | MEMS (Silicon) | 125MHz | 1.8 V ~ 3.3 V | -40°C ~ 85°C |
| ASEMB-150.000MHZ-XY-T | Abracon晶振 | Pure Silicon™ ASEMB | MEMS (Silicon) | 150MHz | 1.8 V ~ 3.3 V | -40°C ~ 105°C |
| ASVMB-133.333MHZ-XY-T | Abracon晶振 | Pure Silicon™ ASVMB | MEMS (Silicon) | 133.333MHz | 1.8 V ~ 3.3 V | -40°C ~ 105°C |
| ASDMB-133.333MHZ-XY-T | Abracon晶振 | Pure Silicon™ ASDMB | MEMS (Silicon) | 133.333MHz | 1.8 V ~ 3.3 V | -40°C ~ 105°C |
| ASVMPC-10.000MHZ-Z-T | Abracon有源晶振 | Pure Silicon™ ASVMP | MEMS (Silicon) | 10MHz | 2.25 V ~ 3.6 V | -55°C ~ 125°C |
| ASVMPC-12.288MHZ-Z-T | Abracon晶振 | Pure Silicon™ ASVMP | MEMS (Silicon) | 12.288MHz | 2.25 V ~ 3.6 V | -55°C ~ 125°C |
| ASVMPC-14.7456MHZ-Z-T | Abracon晶振 | Pure Silicon™ ASVMP | MEMS (Silicon) | 14.7456MHz | 2.25 V ~ 3.6 V | -55°C ~ 125°C |
| ASVMPC-20.000MHZ-Z-T | Abracon晶振 | Pure Silicon™ ASVMP | MEMS (Silicon) | 20MHz | 2.25 V ~ 3.6 V | -55°C ~ 125°C |
| ASVMPC-24.000MHZ-Z-T | Abracon晶振 | Pure Silicon™ ASVMP | MEMS (Silicon) | 24MHz | 2.25 V ~ 3.6 V | -55°C ~ 125°C |
| ASVMPC-24.576MHZ-Z-T | Abracon晶振 | Pure Silicon™ ASVMP | MEMS (Silicon) | 24.576MHz | 2.25 V ~ 3.6 V | -55°C ~ 125°C |
| ASVMPC-26.000MHZ-Z-T | Abracon晶振 | Pure Silicon™ ASVMP | MEMS (Silicon) | 26MHz | 2.25 V ~ 3.6 V | -55°C ~ 125°C |
| ASVMPC-27.000MHZ-Z-T | Abracon晶振 | Pure Silicon™ ASVMP | MEMS (Silicon) | 27MHz | 2.25 V ~ 3.6 V | -55°C ~ 125°C |
| ASFLMPC-12.288MHZ-Z-T | Abracon晶振 | Pure Silicon™ ASFLMP | MEMS (Silicon) | 12.288MHz | 2.25 V ~ 3.6 V | -55°C ~ 125°C |
| ASFLMPC-20.000MHZ-Z-T | Abracon晶振 | Pure Silicon™ ASFLMP | MEMS (Silicon) | 20MHz | 2.25 V ~ 3.6 V | -55°C ~ 125°C |
| ASFLMPC-24.000MHZ-Z-T | Abracon晶振 | Pure Silicon™ ASFLMP | MEMS (Silicon) | 24MHz | 2.25 V ~ 3.6 V | -55°C ~ 125°C |
| ASFLMPC-27.000MHZ-Z-T | Abracon晶振 | Pure Silicon™ ASFLMP | MEMS (Silicon) | 27MHz | 2.25 V ~ 3.6 V | -55°C ~ 125°C |
| ASEMPC-14.7456MHZ-Z-T | Abracon晶振 | Pure Silicon™ ASEMP | MEMS (Silicon) | 14.7456MHz | 2.25 V ~ 3.6 V | -55°C ~ 125°C |
| ASEMPC-20.000MHZ-Z-T | Abracon晶振 | Pure Silicon™ ASEMP | MEMS (Silicon) | 20MHz | 2.25 V ~ 3.6 V | -55°C ~ 125°C |
| ASEMPC-26.000MHZ-Z-T | Abracon晶振 | Pure Silicon™ ASEMP | MEMS (Silicon) | 26MHz | 2.25 V ~ 3.6 V | -55°C ~ 125°C |
| ASEMPC-48.000MHZ-Z-T | Abracon晶振 | Pure Silicon™ ASEMP | MEMS (Silicon) | 48MHz | 2.25 V ~ 3.6 V | -55°C ~ 125°C |
| ASEMPC-80.000MHZ-LR-T | Abracon晶振 | Pure Silicon™ ASEMP | MEMS (Silicon) | 80MHz | 2.25 V ~ 3.6 V | -40°C ~ 85°C |
| ASVMPC-125.000MHZ-LR-T | Abracon晶振 | Pure Silicon™ ASVMP | MEMS (Silicon) | 125MHz | 2.25 V ~ 3.6 V | -40°C ~ 85°C |



電話:+86-0755-278383514
手機:138-2330-0879
QQ:632862232
地址:廣東深圳市寶安寶安大道東95號浙商銀行大廈1905